Instalación de la capota#

Esta receta explica la instalación de la capota (soft top) en un Smart Roadster hard-top. Como siempre, con la inestimable ayuda de Josep, Maxito, Davichini y demás gentes de bien de Forosmart.

Iré escribiendo conforme vaya avanzando, así que esto es “work in progress”…

Inventario de piezas

  • Carrier

  • Motor

  • Largueros

  • Patines (2 parejas) y pestañas

  • Cables (2 cortos y 2 largos)

  • Martillos y aletas

  • Ganchos frontales (y sus muelles)

  • Ganchos traseros (y sus muelles)

  • Soportes para guardar los largueros en el maletero delantero

  • Embellecedores del carrier

  • Mando de accionamiento en la consola

  • Lona

Carrier

Ref: Q0009862V011000000 (no verificado)

Es la pieza principal que incluye el motor y los raíles por los que se desplazan las piezas móviles.

_images/ed-smart-carrier.jpeg

Motor

Ref: Q0009879V002000000 (no verificado)

_images/motor.png

Largueros (roof bars)

Ref: Q0009336V011C46L00 (no verificado)

_images/largueros.png

Patines (slider)

  • Ref: Q0014822V001000000 (verificado)

  • Nombre oficial: “Slide hoop” / “Patín cercha”

_images/patines.png

Pestaña para patines

  • Ref: Q0022489V001000000 (verificado)

  • Nombre oficial: “Funda de la capota”

_images/pestanas.png

Pestaña montada en el patín:

_images/patin-con-pestana.png

Cables (Sirgas)

  • Ref: Q0014817V003000000 (no verificado)

  • Nombre oficial: ?

Cable distanciador («distance»): Conecta dos piezas móviles dentro del raíl.

_images/sirgas.png

Cable tractor («driver»): Son mucho más largos y los movidos directamente por el motor. El del lado del acompañante es un poco más largo porque el motor está ligeramente situado a la izquierda del coche.

_images/sirgas-2.png

Martillos y aletas

Se venden junto con los cables.

Martillos:

_images/hummer-1.png _images/hummer-2.png

Aletas:

_images/wing-1.png _images/wing-2.png

Martillo y aleta unidos:

_images/hummer-and-wing.png

Ganchos frontales

  • Ref: MQ0014825V002000000 (verificado)

  • Nombre oficial: “Catch front” / “Cierre del”

_images/front-catch.png

Muelles para ganchos frontales

  • Ref: 0010741 V001 0000 00

  • Nombre oficial: “Spring y-compensator” / “resorte a compresion comp”

_images/springs.png

Ganchos traseros

  • Ref: MQ0014826V002000000 (no verificado)

  • Nombre oficial: “roof cap holder”

_images/rear-catch.png

Soportes para los largueros

  • Ref: 0011964V004C22A00 (verificado)

  • Nombre: Member mount RH / Alojamiento de larguero

  • Ref: Q0011917V004C22A00 (verificado)

  • Nombre: Member mount LH / Alojamiento de larguero

Son dos piezas extraíbles que permiten sujetar los largueros en el maletero delantero.

_images/soportes-maletero.png

Embellecedores para el carrier

  • Ref: Q00014829V001000000 (verificado)

  • Nombre oficial: Cover B-PILLAR / Cubierta montante B

_images/embellecedores.png

Capota

La capota de lona con sus largueros y cintas.

_images/soft-top.jpg

Sacando la moqueta#

La moqueta del roadster soft-top es diferente a la del hard-top, en concreto la pieza tras los asientos hasta la tapa del motor. La versión soft-top tiene unos cortes que dejan hueco al soporte del carrier.

En todo caso, es necesario quitarla para montar el cableado. Procedimiento

  1. Quita los asientos. Coloca los tornillos en su tuerca o de lo contrario las tuercas pueden perderse bajo el suelo.

  2. Quita pomo de la palanca de cambio. Sale a presión. Cuidado de no pulsar el botón o se romperá al tirar.

  3. Quita la cubierta de la palanca de cambio.

  4. Retira tornillos de las guías de los cinturones.

  5. Retira los paneles que cubren los mecanismos de los cinturones.

  6. Retira los embellecedores de los puntos de anclaje del techo rígido.

  7. Retira las piezas de moqueta tras los asientos. La pieza del suelo no es necesario quitarla, se puede trabajar razonablemente levantando de un lado.

Una vez retirada la moqueta:

_images/sin-moqueta.png

Moqueta «hard-top» recortada (si no puedes conseguir una moqueta de soft-top):

_images/cut-carpet.png

Instalación del carrier#

El carrier está sujeto por 5 tornillos en la base y 3 más a cada lado. Estos tornillos están ya en el coche, puesto que se trata de sustituir las piezas actuales por el carrier.

La pieza a substituir tiene una forma muy similar a la base del carrier, dado que está ahí para tapar el hueco correspondiente:

_images/carrier-placeholder.png

La pieza una vez fuera:

_images/carrier-placeholder-2.png

Se deben retirar los soportes laterales del hard-top. En la siguiente foto aparece el derecho antes y después de retirarlo:

_images/hardtop-support.png

Soporte izquierdo del carrier:

_images/carrier-left-support.png

Instalación del cableado del motor#

El mecanismo de accionamiento de la capota necesita dos conjuntos de cables, que van desde la SAM hasta el soporte del mecanismo de la capota. Estos cables van bajo la moqueta pasando a un lado de la base de la palanca de marchas.

Este cable se puede comprar en repuestos, pero solo mide un metro. Tendremos que añadir cable para llegar a la SAM.

_images/motor-wires.png

Ref: Q0015397V001000000 (verificado) Nombre: “Repair set soft top” / “Conjunto de reparación ca”

Conectores hembra en la base:

_images/carrier-motor-connectors.png

Detalle del interruptor de seguridad lateral, ubicado tras el alojamiento trasero del larguero (roof bar). Hay uno a cada lado:

_images/roofbar-switch.png

La siguiente imagen de la parte interior de la moqueta da una idea de por donde puede pasar el cable:

_images/motor-wire-route.png

Y el recorrido aproximado del cable desde los conectores del motor hasta la SAM:

_images/motor-wire-route-2.png

El soporte del asiento tiene unos pequeños huecos en el borde inferior que resultan ideales para pasar los cables pegados tras el asiento y en el borde del túnel:

_images/motor-wire-route-3.png _images/motor-wire-route-4.png

Además es necesario instalar el mando de la consola que acciona la apertura y cierre. El conector se vende en repuestos de VW y Audi y es fácil de conseguir en desguace (por ejemplo, en los mandos del elevalunas del fortwo). El conector tiene indicados por detrás la numeración de los terminales.

_images/console-button.png

Conectores de la SAM#

Los conectores de la SAM involucrados son:

  • N11-2

  • N11-3

  • N11-5

  • N11-8

_images/SAM-connectors1.png

Alimentación del motor#

Está formado por 2 hilos de 4.0 mm2 de sección con la siguiente disposición:

conector

hilo

hacia

Pin 1

amarillo

Pin N11-2/6

Pin 2

rojo-blanco

Pin N11-2/8

Interruptores de seguridad#

Está formado por 3 hilos de 0.5 mm2 de sección. Los cables tienen colores diferentes antes y después del conector S2, como se muestra aquí:

antes

conector S2

hilo

hacia

marrón

Pin 1

marrón

Masa W26

amarillo-marrón

Pin 2

azul-blanco

Pin N11-8/32

negro-verde

Pin 3

rosa-negro

Pin N11-8/33

El Pin 2 del conector viene de los sensores (interruptores) que detectan los largueros. La capota solo se puede cerrar si ambos conectores están cerrados (los largueros están colocados en su posición).

El Pin 3 del conector viene del sensor (interruptor) de la solapa de la capota. La capota solo se puede abrir si la solapa está levantada, es decir, supuestamente no hay carga en el maletero que obstruya la apertura.

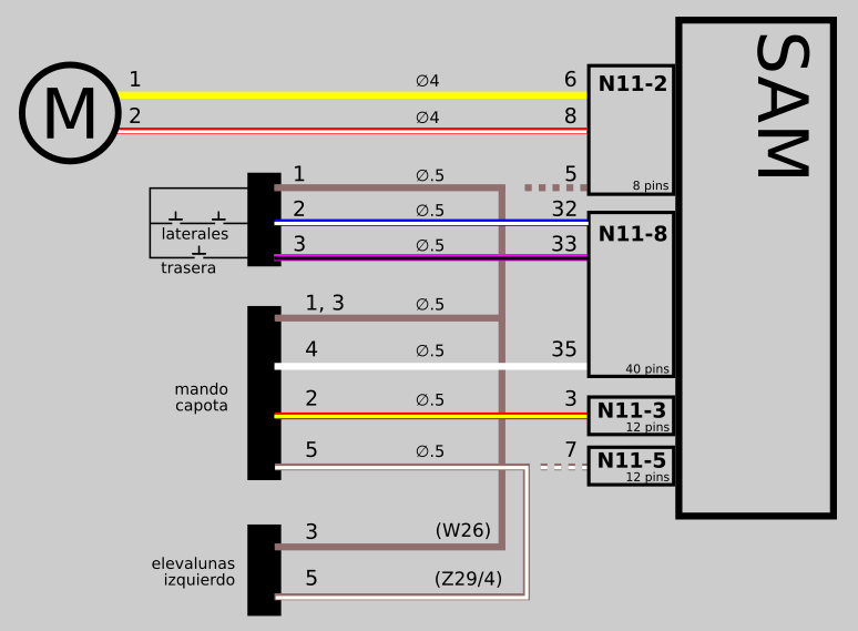
Interruptor del mando en la consola. Todos los hilos son de 0.5 mm2 de sección.

conector

hilo

hacia

Pines 1 y 3

marrón

masa W26

Pin 2

rojo-amarillo

N11-3/3

Pin 4

blanco

N11-8/35

Pin 5

marrón-blanco

Z29/4

Los puntos de conexión W26 y Z29/4 son comunes a muchos componentes del coche.

  • W26 es un conector a masa con tuerca que está en el lado inferior derecho de la consola.

  • Z29/4 es la iluminación de la consola cuando se enciende las luces del coche. Esstá bajo la cubierta superior del volante.

Pero estas conexiones se pueden hacer de un modo mucho más sencillo utilizando en su lugar los pines que encontramos en el conector del mando del elevalunas, que tiene conexiones a dichos lugares.

Es sencillo siguiendo este esquema (las líneas discontinuas indican la conexión oficial equivalente).

_images/wiring-schema.png

Comprobación del motor#

Una vez conectado todo según el esquema anterior es hora de probar el motor:

  1. Comprueba que el fusible 29 (25A) está en su lugar. Muchos coches hard-top lo incluyen de serie.

  2. Desconecta el cable del motor de la capota, en caso de malfuncionamiento el motor podría no parar y causar daños antes de que pudieras quitar el contacto.

  3. Comprueba que el sensor de carga del maletero (la pieza de plástico grande, larga y abatible del carrier) está en posición vertical.

  4. Quita el hard-top y los largueros.

  5. Coloca unas dardos Nerf para presionar los microinterruptores de seguridad laterales del carrier.

  6. Pulsa el mando en la consola arriba y abajo. Deberías oír los relés de la SAM que comandan el motor.

Si el paso anterior ha ido bien, conecta el cable de alimentación al motor de la capota.

Acciona brevemente el mando y el cable tractor debería moverse. Muévelo solo unos centímetros teniendo cuidado de que las piezas del extremo del cable no quedan trabadas con el borde del rail.

Ver vídeo: https://goo.gl/PnjP82

Colocación de la lona#

SAM-up SAM-up

Ver vídeo: https://www.youtube.com/watch?v=UYF3A_4wMV4

Mantenimiento#

Lona#

  • La lona se debe limpiar con agua y jabón neutro. Para una limpieza más profunda puedes utilizar Renovo Softtop cleaner.

  • Si la lona está descolorida puedes usar Renovo Reviver black.

  • Finalmente puedes impermeabilizar con Renovo Ultra Proofer

Es muy importante que respetes los tiempos de secado para el tinte y el impermeabilizador.

Mantenimiento y lubricación de los raíles#

La limpieza deficiente es probablemente la causa principal de roturas y desgaste de las piezas. Es muy importante el mantenimiento de los raíles si no quieres que te salga muy muy caro. Hay dos tipos de raíles tanto en los largueros como en el carrier:

  • Los de perfil cuadrado, por los cuales pasan los patines y los catch. Estos se deben limpiar con vaselina neutra y un cepillo de dientes. Se pueden lubricar también con vaselina.

[foto]

  • Los de perfil cilíndrico es por donde pasan las sirgas. Estos se pueden limpiar con una guía de electricista (usando solo la parte plástica) o bien las propias sirgas y aceite de silicona. Se deben lubricar también con dicho aceite.

[foto]

El motor tiene una arandela gruesa y un piñón en el punto donde se cruzan las sirgas en mitad del carrier. Este punto también es muy importante mantenerlo limpio y lubricado.

_images/gear-box.png

Post relacionados#

Reparaciones y trucos#

Patines#

_images/slider-hack-1.png _images/slider-hack-2.jpg _images/slider-hack-3.jpg